Technical Parameter
型号
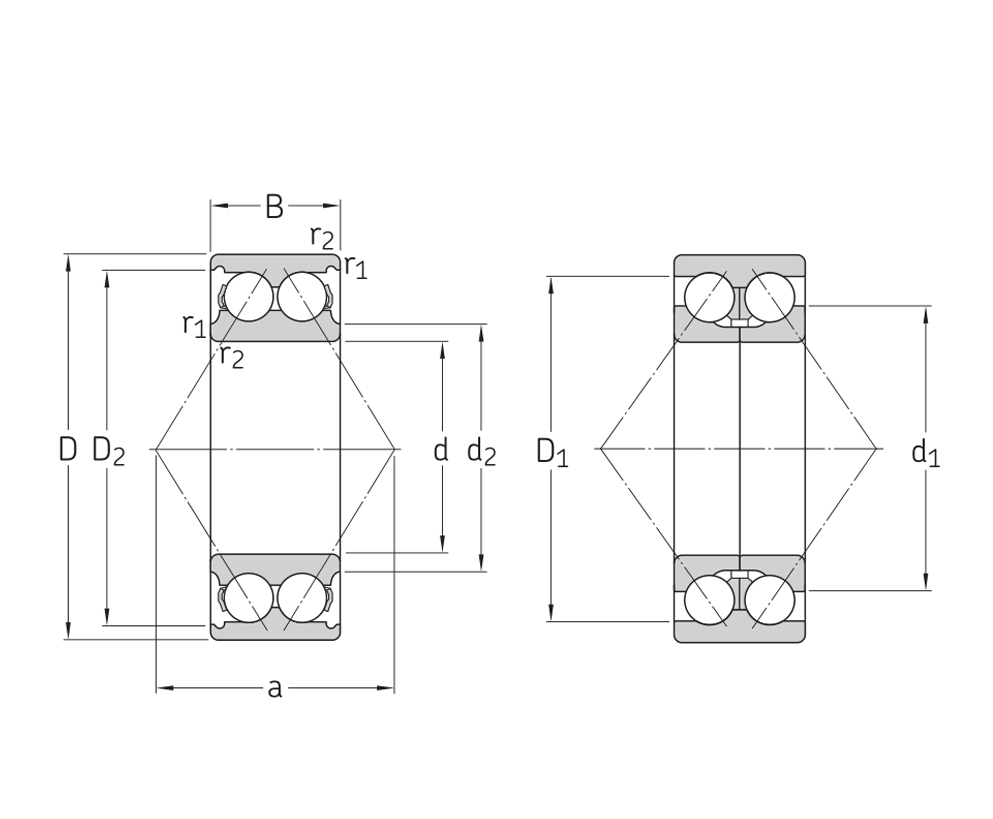
主要尺寸及数据
d 65 mm 内径
D 140 mm 外径
B 58.7 mm 宽度
d1 ≈ 95 mm 挡边直径
D1 ≈ 125 mm 挡边直径
r1.2 min 2.1 mm 内圈倒角尺寸
α 114 mm 距离负荷点
m 4 kg 质量
安装尺寸
da min 77 mm 轴挡肩直径
ra max 2 mm 倒角半径
其他数据
Cr 138.69 kN 基本额定载荷动态
Cor 122.61 kN 基本额定载荷静态
Pu 5.13 kN 疲劳载荷极限
nB 5326.5 r/min 参考转速
nG 4522.5 r/min 极限转速
Kr 0.095 计算系数
Copy right: Shandong KMR Bearing S&T Co., Ltd 鲁ICP备12024828号-1