6003-2Z/VA201
Technical Parameter
型号
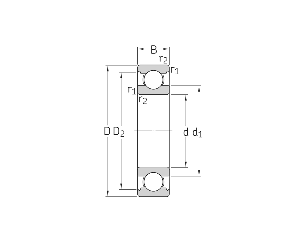
主要尺寸及数据
d 17 mm 内径
D 35 mm 外径
B 10 mm 宽度
d1≈ 23 mm 内圈挡边直径
D2 31.2 mm 外圈挡边凹槽直径
r1,2min 0.3 mm 倒角尺寸
m 0.041 kg 质量
其他数据
Cor 3.3 kN 基本额定静载荷
nG 180 r/min 极限转速
Tmax 250 °C 极限温度
Copy right: Shandong KMR Bearing S&T Co., Ltd 鲁ICP备12024828号-1