Technical Parameter
型号
带防尘盖的轴承 3207 A-2Z - 带防尘盖的轴承
带密封件的轴承 3207 A-2RS1 - 带密封件的轴承
主要尺寸及数据
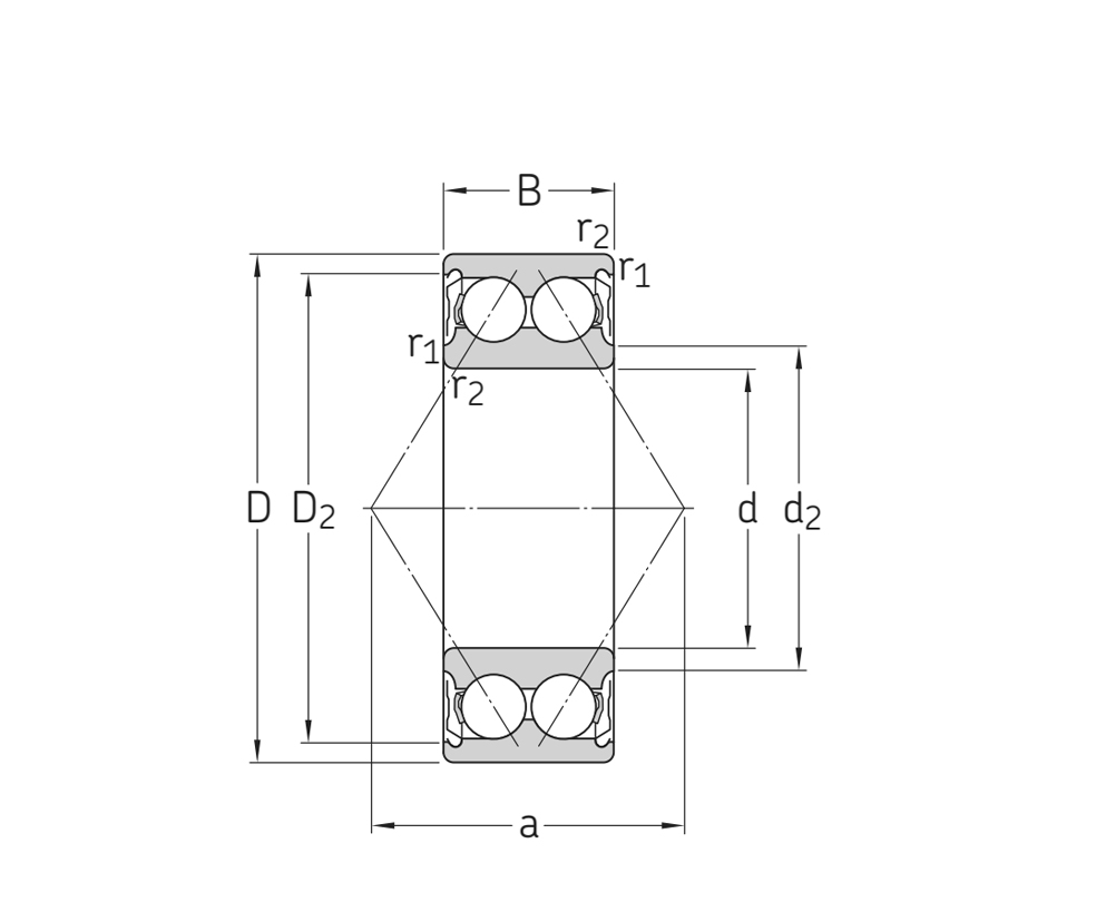
d 35 mm 孔径
D 72 mm 外径
B 27 mm 宽度
d2≈ 45.4 mm 内圈挡边凹槽直径
D2≈ 63.9 mm 外圈挡边凹槽直径
r1,2min 1.1 mm 内圈倒角尺寸
a 42 mm 距离负荷点
m 0.44 kg 质量
安装尺寸
da min 42 mm 轴挡肩直径
da max 45 mm 轴挡肩直径
Da max 65 mm 轴承座挡肩直径
ra max 1 mm 倒角尺寸
其他数据
Cr 40 kN 基本额定动载荷
Cor 28 kN 基本额定静载荷
Pur 1.18 kN 疲劳载荷极限
nG 9000 r/min 极限转速带防尘盖的轴承
nG 6300 r/min 极限转速带密封件的轴承
kr 0.06 - 计算系数
Copy right: Shandong KMR Bearing S&T Co., Ltd 鲁ICP备12024828号-1