| 型号 |
| 主要尺寸及数据 | ||
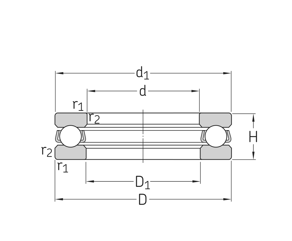
| d | 200 mm | 孔径 |
| D | 250 mm | 外径 |
| H | 37 mm | 高度 |
| d1 ≈ | 247 mm | 轴圈外径 |
| D1 ≈ | 203 mm | 座圈内径 |
| r1.2 min | 1.1 mm | 倒角尺寸 |
| m | 4.25 kg | 质量 |
| 安装尺寸 | ||
| da min | 230 mm | 轴挡肩直径 |
| Da max | 220 mm | 轴承座挡肩尺寸 |
| ra max | 1 mm | 倒角半径 |
| 其他数据 | ||
| Ca | 168.84 kN | 基本额定载荷动态 |
| Coa | 713.55 kN | 基本额定载荷静态 |
| Pua | 17.69 kN | 疲劳载荷极限 |
| nB | 1407 r/min | 参考转速 |
| nG | 1909.5 r/min | 极限转速 |