| 型号 |
| 主要尺寸及数据 | ||
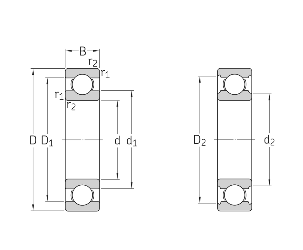
| d | 15 mm | 内径 |
| D | 24 mm | 外径 |
| B | 5 mm | 宽度 |
| d2≈ | 16.8 | 凹槽直径 |
| D2≈ | 22.2 | 凹槽直径 |
| r1,2min | 0.3 | 倒角尺寸 |
| m | 6.7 g | m |
| 安装尺寸 | ||
| damin | 16.5 mm | 轴挡肩直径 |
| damax | 16.5 mm | 轴挡肩直径 |
| Damax | 22.5 mm | 座挡肩直径 |
| ramax | 0.3 mm | 轴或轴承座倒角半径 |
| 其他数据 | ||
| cr | 1.67 kN | 基本额定载荷动态 |
| cor | 1.10 kN | 基本额定载荷静态 |
| pur | 0.048 kN | 疲劳载荷极限 |
| nB | 60200 r/min | 参考转速 |
| nG | 30100 r/min | 极限转速 |
| kr | 0.02 | 计算系数 |
| fo | 14 | 计算系数 |