| 型号 |
| 轴承不带止动环 |
213-2Z |
轴承不带止动环 |
| 带止动环 |
213-2ZNR |
带止动环 |
| 止动环 |
SP120 |
止动环 |
| 主要尺寸及数据 |
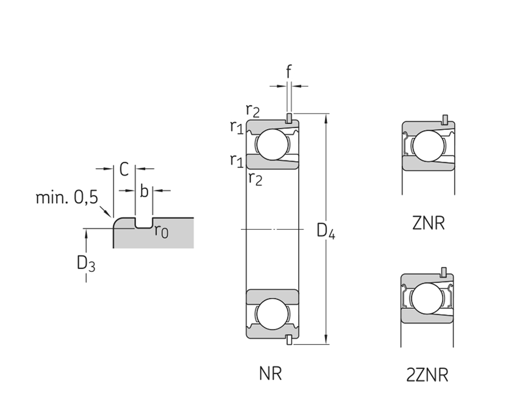
| D |
120 mm |
外径 |
| B |
23 mm |
宽度 |
| d1≈ |
83.3 |
挡边直径 |
| D2≈ |
105.8 |
凹槽直径 |
| D3 |
115.21 |
止动槽直径 |
| D4 |
129.7 |
止动环外径 |
| b |
3.1 |
止动环槽宽度 |
| f |
2.82 |
止动环宽度 |
| C |
4.06 |
外圈侧面到止动槽间的距离 |
| r1,2min |
1.5 |
倒角尺寸 |
| r0max |
0.6 |
止动槽底部半径 |
| m |
1.05 g |
质量 |
| 安装尺寸 |
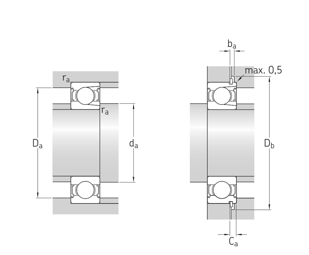
| damin |
74 mm |
轴挡肩直径 |
| damax |
83 mm |
轴挡肩直径 |
| Damax |
111 mm |
轴承座挡肩直径 |
| Dbmin |
131 mm |
轴承座内的止动槽直径 |
| bamin |
3.5 mm |
轴承座内的止动槽宽度 |
| Camax |
6.88 mm |
外圈侧面到止动槽背面之间的距离 |
| ramax |
1.5 mm |
轴或轴承座倒角半径 |
| 其他数据 |
| Cr |
61.1 kN |
基本额定动载荷 |
| Cor |
59.4 kN |
基本额定静载荷 |
| Pur |
2.53 kN |
疲劳载荷极限 |
| nB |
10200 r/min |
参考转速 |
| nG |
4900 r/min |
极限转速 |
| kr |
0.04 |
计算系数 |