| 型号 | ||
| 两侧开式或闭式密封 | 6220 | 两侧开式或闭式密封 |
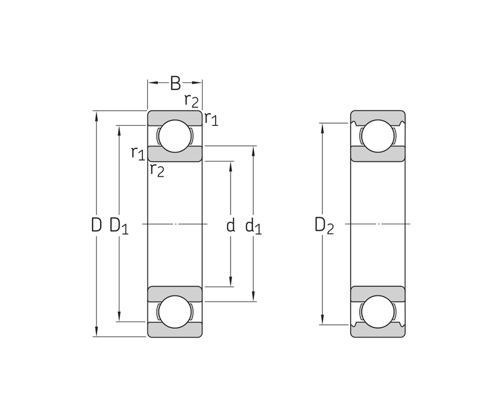
| 主要尺寸及数据 | ||
| 内径 | 100 mm | d |
| 外径 | 180 mm | D |
| 宽度 | 34 mm | B |
| d1≈ | 124 mm | 挡肩直径 |
| D2≈ | 160 mm | 凹槽直径 |
| r1.2min | 2.1 mm | 倒角尺寸 |
| m | 3.2 kg | 质量 |
| 安装尺寸 | ||
| da min | 112 mm | 轴挡肩直径 |
| Da min | 168 mm | 座挡肩直径 |
| ra max | 2 mm | 轴或座倒角半径 |
| 其他数据 | ||
| Cr | 133.35 kN | 基本额定动载荷 |
| Cor | 97.65 kN | 基本额定静载荷 |
| Pur | 3.52 kN | 疲劳载荷极限 |
| nB | 7875 r/min | 参考转速 |
| nG | 5040 r/min | 极限转速 |
| Kr | 0.025 | 计算系数 |
| fo | 14 | 计算系数 |