| 型号 |
| 主要尺寸及数据 | ||
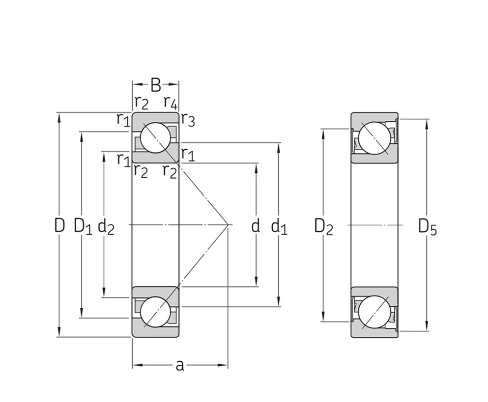
| d | 100 mm | 内径 |
| D | 215 mm | 外径 |
| B | 47 mm | 宽度 |
| d1≈ | 144 mm | 挡肩直径 |
| d2≈ | 120 mm | 挡肩直径 |
| D1、D2 ≈ | 174 mm | 挡肩直径 |
| r1.2 min | 3 mm | 倒角尺寸 |
| r3.4 min | 1.1 mm | 倒角尺寸 |
| α | 90 mm | 侧面到压力点的距离 |
| m | 7.5 kg | 质量 |
| 安装尺寸 | ||
| da min | 114 mm | 轴挡肩尺寸 |
| Da max | 201 mm | 座挡肩尺寸 |
| Db max | 208 mm | 座挡肩尺寸 |
| ra max | 2.5 mm | 轴倒角半径 |
| rb max | 1 mm | 座倒角半径 |
| 其他数据 | ||
| Cr | 226.8 kN | 基本额定载荷动态 |
| Cor | 218.4 kN | 基本额定载荷静态 |
| Pur | 7.3 kN | 疲劳载荷极限 |
| nB | 3990 r/min | 参考转速 |
| nG | 5250 r/min | 极限转速 |
| A | 0.63 | 计算系数 |
| Kr | 0.1 | 计算系数 |