| 型号 |
| 主要尺寸及数据 | ||
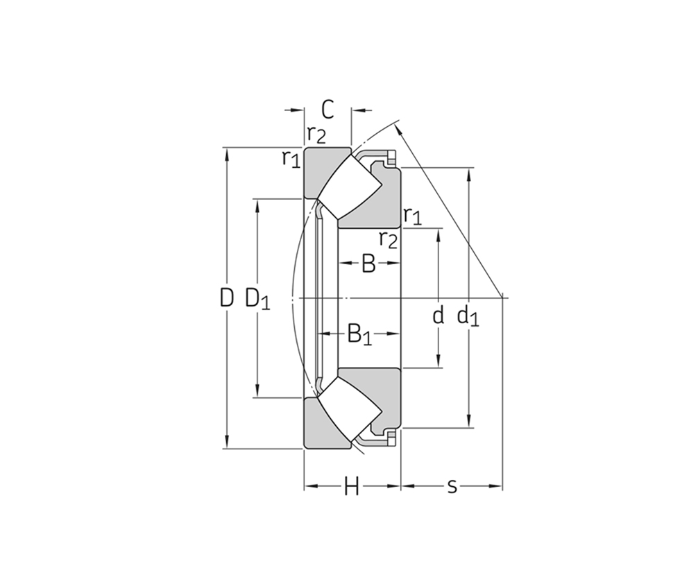
| d | 100 mm | 孔径 |
| D | 170 mm | 外径 |
| H | 42 mm | 高度 |
| d1 ≈ | 152 | 轴圈端面外径 |
| D1 ≈ | 128 | 外圈挡边直径 |
| B | 26.2 | 轴圈宽度或轴圈孔径的长度要适合轴(带冲压钢保持架的轴承) |
| B1 | 36.3 | 轴圈+ 保持架的高度 |
| C | 20.5 | 座圈高度 |
| r1.2 | 1.5 | 最小值轴圈倒角尺寸 |
| s | 58 | 轴圈端面到压力点距离 |
| m | 3.65 kg | 质量 |
| 安装尺寸 | ||
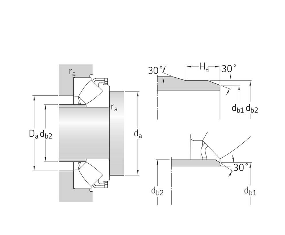
| damin | 130 mm | 轴挡肩直径 |
| db1max | 107 mm | 隔圈挡肩直径 |
| db2max | 107 mm | 隔圈外径 |
| Hamin | 1.5 mm | Hamin |
| Damax | 465 mm | Damax |
| ramax | 1290 mm | 倒角半径 |
| 其他数据 | ||
| Ca | 156 kN | 基本额定载荷动态 |
| Coa | 2200 kN | 基本额定载荷静态 |
| Pua | 3600 kN | 疲劳载荷极限 |
| nB | 0.16 r/min | 参考转速 |