技术参数
型号
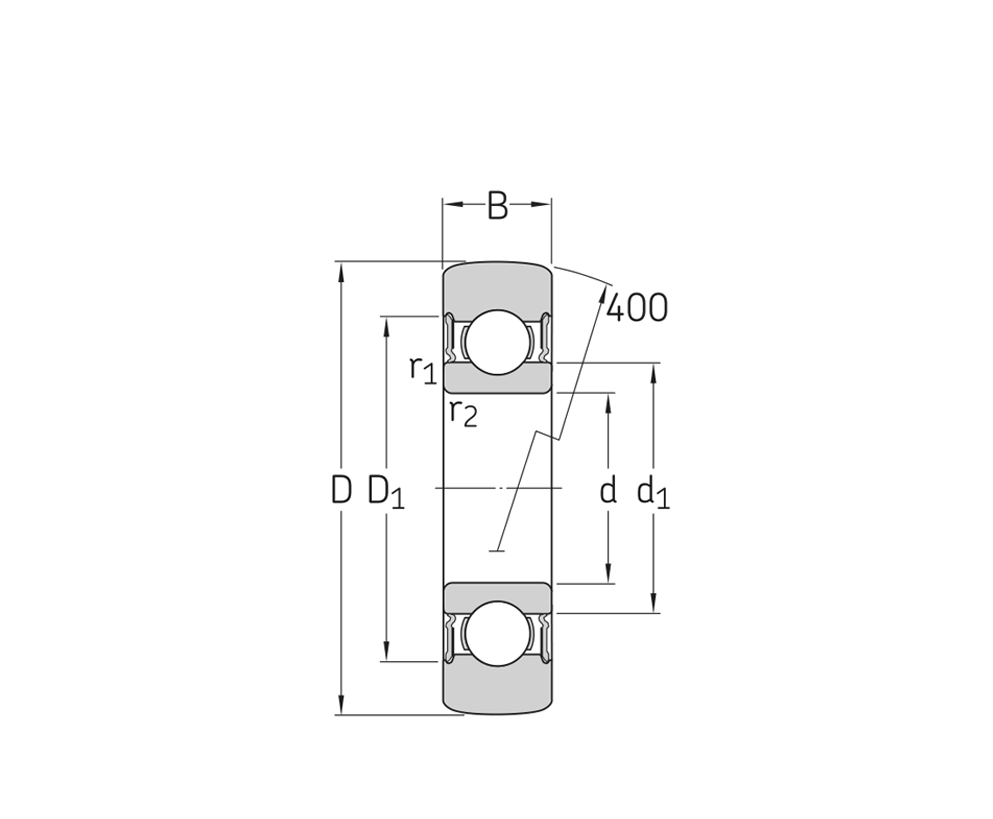
主要尺寸及数据
D 35 mm 外径
d 12 mm 孔径
B 10 mm 宽度
d1 ≈ 18.4 mm 内圈挡边/凹槽处直径
D1 ≈ 27.4 mm 外圈凹槽直径
r1,2min 0.6 mm 倒角尺寸
m 0.051 kg 质量
其他数据
Cr 6.24 kN 基本额定载荷动态
Cor 2.6 kN 基本额定载荷静态
Pur 0.11 kN 疲劳载荷极限
Fr 3.35 kN 径向动载荷
For 4.75 kN 径向静载荷
nG 11000 r/min 极限转速
新闻中心
加入凯美瑞
联系我们
电话 : 0635-2816866 0635-2816966
邮箱 : sdkmr@kmr.com
地址:山东省聊城市临清市唐园工业园区001号
微信公众号
官方微博
版权所有:山东凯美瑞(KMR)轴承科技有限公司 鲁ICP备12024828号-1