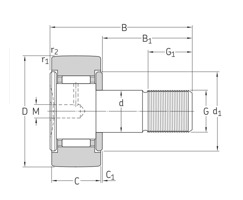
| 型号 |
| 主要尺寸及数据 | ||
| d | 6 mm | 内径 |
| D | 16 mm | 外径 |
| B | 28 mm | 长度 |
| C | 11 mm | 外圈宽度 |
| B1 | 16 mm | 螺栓柱柄的长度 |
| C1 | 0.6 mm | 外圈到垫圈侧面的距离 |
| d1 | 12.5 mm | 挡边外径 |
| G | M6 mm | 螺纹螺柱 |
| G1 | 8 mm | 螺纹长度 |
| M | 4 mm | 轴承位直径的润滑附件 |
| r1,2min | 0.15 mm | 倒角尺寸 |
| M | 0.019 kg | 质量 |
| 其他数据 | ||
| Cr | 4.73 kN | 基本额定动载荷 |
| Cor | 6.55 kN | 基本额定静载荷 |
| Pur | 0.72 kN | 疲劳载荷极限 |
| F1max | 4.05 kN | ******径向载荷动态 |
| F0rmax | 5.7 kN | ******径向载荷静态 |
| nG | 4300 r/min | 极限转速 |