| 型号 |
| 主要尺寸及数据 | ||
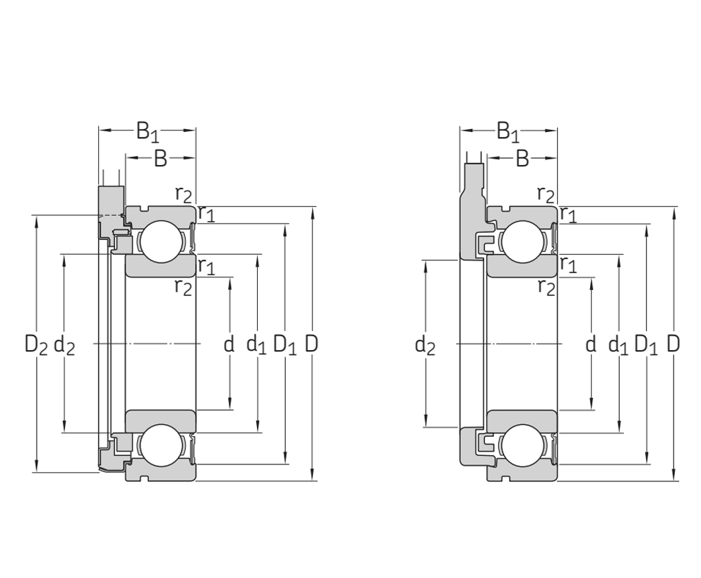
| d | 25 mm | 内径 |
| D | 52 mm | 外径 |
| B | 15 mm | 宽度 |
| d1≈ | 34.3 mm | 挡肩直径 |
| d2≈ | 31.6 mm | 挡肩直径 |
| D1≈ | 46.3 mm | 挡肩直径 |
| D2≈ | 51.46 mm | 挡肩直径 |
| D3 ≈ | 49.73 mm | 挡肩直径 |
| B1 | 21.2 mm | 角圈宽度 |
| b | 1.35 mm | 内圈宽度 |
| C | 2.46 mm | 外圈宽度 |
| r0 | 0.4 mm | 倒角尺寸 |
| r1,2min | 1 mm | 倒角尺寸 |
| m | 0.16 kg | 质量 |
| 安装尺寸 | ||
| da 、db min | 30 mm | da 、db min |
| dbmax | 31.3 mm | dbmax |
| Damax | 47 mm | Damax |
| ramax | 1 mm | ramax |
| 其他数据 | ||
| Cr | 14 kN | 基本额定动载荷 |
| Cor | 7.8 kN | 基本额定静载荷 |
| Pur | 0.335 kN | 疲劳载荷极限 |
| nG | 8500 r/min | 极限转速 |
| kr | 0.025 | 计算系数 |
| f0 | 14 | 计算系数 |