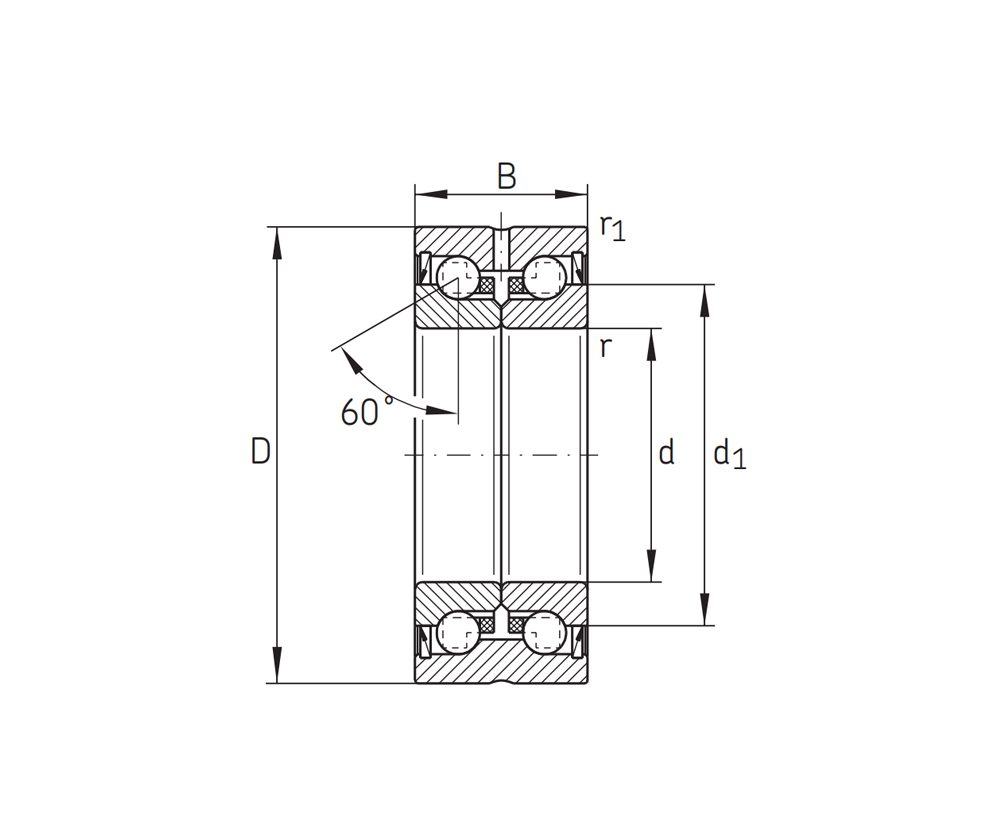
| 型号 |
| 主要尺寸及数据 | ||
| d | 20 mm | 内径 |
| D | 52 mm | 外径 |
| B | 28 mm | 宽度 |
| d1≈ | 34.5 mm | 挡肩直径 |
| r min | 0.3 mm | 倒角半径 |
| r1 min | 0.6 mm | 倒角半径 |
| m | 0.31 ≈kg | 质量 |
| 安装尺寸 | ||
| Da max | 43 mm | 座挡肩直径 |
| da min | 25 mm | 轴挡肩直径 |
| 其他数据 | ||
| Cr | 26000 N | 基本额定动载荷 |
| Cor | 47000 N | 基本额定静载荷 |
| nG | 3000 r/min | 极限转速 |
| MRL | 0.3 Nm | 轴承摩擦力矩 |
| CaL | 650 N/μm | 刚度轴向 |
| CkL | 140 Nm/mrad | 倾覆刚度 |
| Mm | 0.273 kg·cm2 | 质量惯性矩 |
| M | 2 μm | 轴向跳动 |